FEATURES:
* Alloy steel, sealed by adhesive, oil proof, waterproof and anti-corrosion.
* S beam type, tension or compression loading, easy installation.
* High accuracy and low profile.
* Suitable for measuring tension or compression loading as crane/ mechanical
conversion scales, hopper scales and other electronic weighing devices.
SPECIFICATIONS:
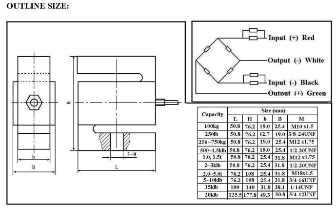
Capacity: 0.1/0.25/0.5/0.75/1/1.5/2/2.5/5 T;
Accuracy: C2; C3;
Max.number of verification intervals ( Nmax):2000; 3000;
Min. Load cell verification interval (Vmin):Emax/5000;Emax/10000;
Combine error( %FS):<± 0.030; <± 0.020;
Creep( %FS/30Min.): ≤±0.024; <± 0.016;
Temp.effect on sensitivity (%FS/10℃): ≤±0.017; ≤±0.011;
Temp. Effect on zero (%FS/10℃): ≤±0.023; ≤±0.015;
Output sensitivity (mV/V): 3.0 ±0.008;
Input resistance (Ohm): 350 ±3.5;
Output resistance (Ohm): 351 ±2.0;
Insulation resistance (M Ohm): > 5000 (VDC)
Zero balance ( %FS): 1.0
Compensated temperature (℃): -10 ~ 40;
Operating temperature (℃): -35 ~65;
Excitation, recommended (V):5~12 (DC);
Excitation, Max. (V): 18(DC)
Safe overload (%FS): 150;
Ultimate overload (%FS): 300.



